PTS100 series precision postitioning stages
1.Linear rollerguides
provide smooth translation.
2.Driven with micrometer head
3.Micrometer locations can be either side
or middle of the stage.
4.Standard threaded holes
on both top and bottom of the stages allow secure mounting to optical tables,
or additional stages for multi-axes translation.
- description
- parameters
|
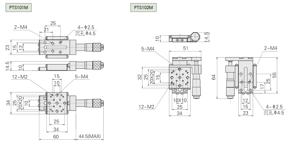
Model |
PTS101M |
PTS102M |
PTS103M |
PTS104M |
|
Table size (mm) |
34×34 |
34×34 |
65×65 |
65×65 |
|
Travel (mm) |
13 |
25 |
||
|
Driving |
Micrometer head |
|||
|
Resolution(mm) |
0.002 |
|||
|
Precision(mm) |
0.005 |
|||
|
Graduation (mm) |
0.01 |
|||
|
Drive position |
middle |
side |
middle |
side |
|
Lock handwheel |
- |
- |
have |
have |
|
Loading capacity(kg) |
2 |
2 |
5 |
5 |
|
Weight (kg) |
0.075 |
0.080 |
0.45 |
0.45 |














