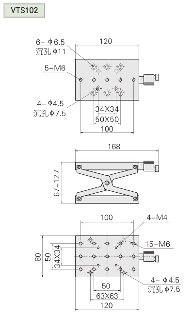
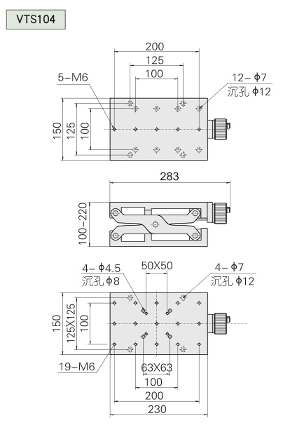
VTS102M/104M precision vertical translation stages
1.The stages allow for large travel, heavy
loadingand, non-quantitative adjustment of vertical translation.
2. It adopts a scissor-type support
and a high precision screw rod actuation.
3.Standard threaded holes on both top and
bottom of the stages allow secure mounting to optical tablesor additional
stages. It is equipped with locking hand wheel.
- description
- parameters
|
Model |
VTS102 |
VS104 |
|
Table size (mm) |
80×120 |
150×230 |
|
Travel (mm) |
60 |
120 |
|
Resolution(mm) |
0.01 |
|
|
Loading capacity (kg) |
20 |
100 |
|
Weight (kg) |
1.15 |
11 |











