- description
- parameters
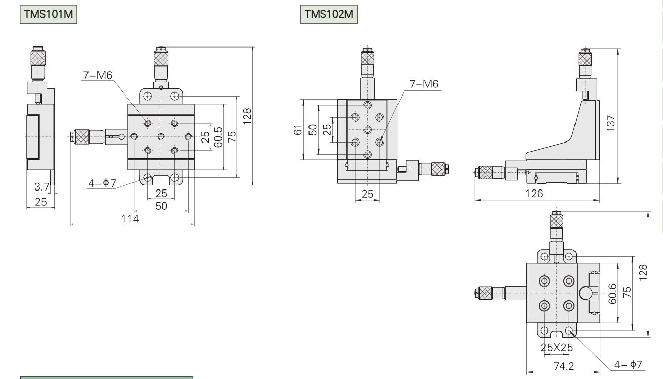
|
Model |
TMS101M |
TMS102M |
|
Axles |
XY two axles |
XYZ three axles |
|
Travel (mm) |
13 |
|
|
Driving |
micrometer head |
|
|
Minimum reading(mm) |
0.01 |
|
|
Resolution(mm) |
0.002 |
|
|
Error of swing |
<30″ |
|
|
Loading capacity (kg) |
5 |
2.5 |
|
Weight (kg) |
0.35 |
0.7 |










