- description
- parameters
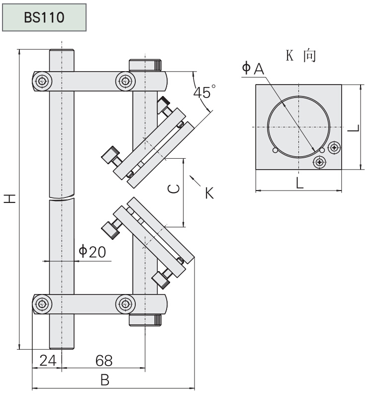
|
Model |
BS111 |
BS112 |
|
|
Lifting height for beam(mm) |
180 |
||
|
Adjusting range of tilt |
θx |
±4° |
|
|
θy |
±4° |
||
|
Rotation angle of mirror mounts |
θz |
360° |
|
|
A Applied diameter |
50 |
60 |
|
|
B |
132 |
137 |
|
|
C |
50 - 180 |
57 - 180 |
|
|
H |
324 |
334 |
|
|
L |
70 |
80 |
|
|
Weight(kg) |
1 |
1 |
|








