- description
- parameters
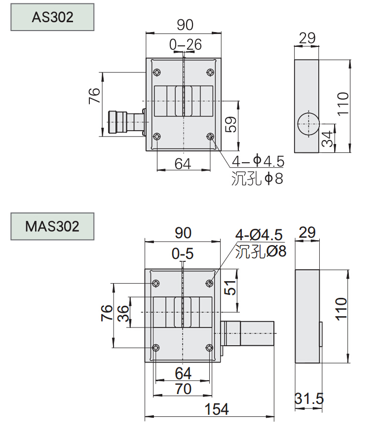
|
Model |
AS302 |
MAS302 |
|
Width of slit(mm) |
0.01 ~ 26 |
0.01 ~ 5 |
|
Height of slit (mm) |
36(max) |
|
|
Amount of movement(mm) |
±13 |
±2.5 |
|
Driving |
Hands |
Motor |
|
Weight(kg) |
0.25 |
0.41 |









