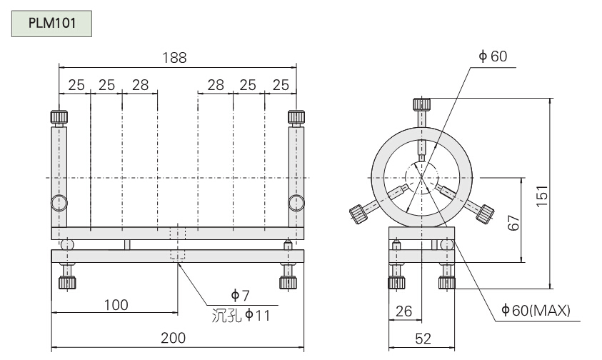
PLM101 precision laser mounts
1. Provides two dimensional adjustment of tilt
2. There are the two fixed three claw on it , can clamp different diameter of the laser diode or cylinder ,and center of the mount can be adjusted
3. PTFE gasket for laser diode
4. M6×0.25 fine thread screw adjustment
5. The mutual distance between two three claw is adjustable, and suitable to the different length of laser
- description
- parameters
|
Model |
PLM101 |
|
|
Applied diameter(mm) |
Φ60(max) |
|
|
Adjusting range(mm) |
θy |
±5° |
|
θx |
±5° |
|
|
Weight(kg) |
0.8 |
|








