MRS100 series motorized precision rotary stages
-
The transmission adopts worm and worm gear structures.
Zero position photoelectric switches can be added.
Servo motors can be used instead of stepper motors.
The product can be used in vacuum environment,but you need to have it made to order.
- description
- parameters
|
Model |
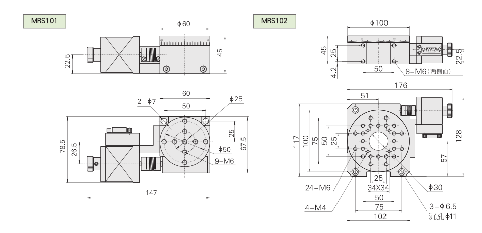
MRS101 |
MRS102 |
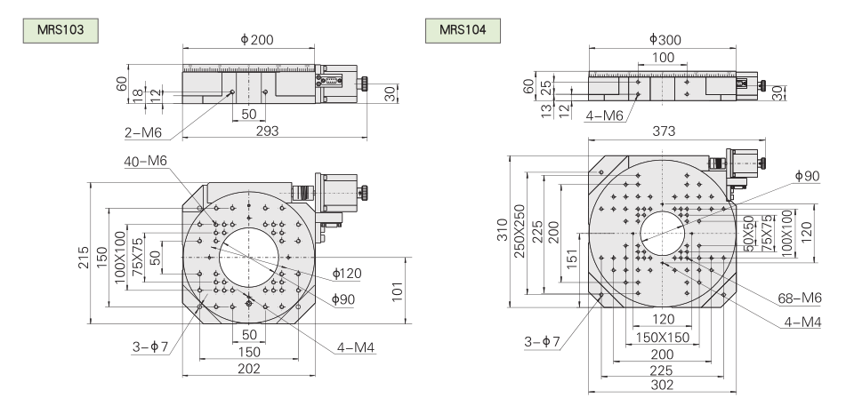
MRS103 |
MRS104 |
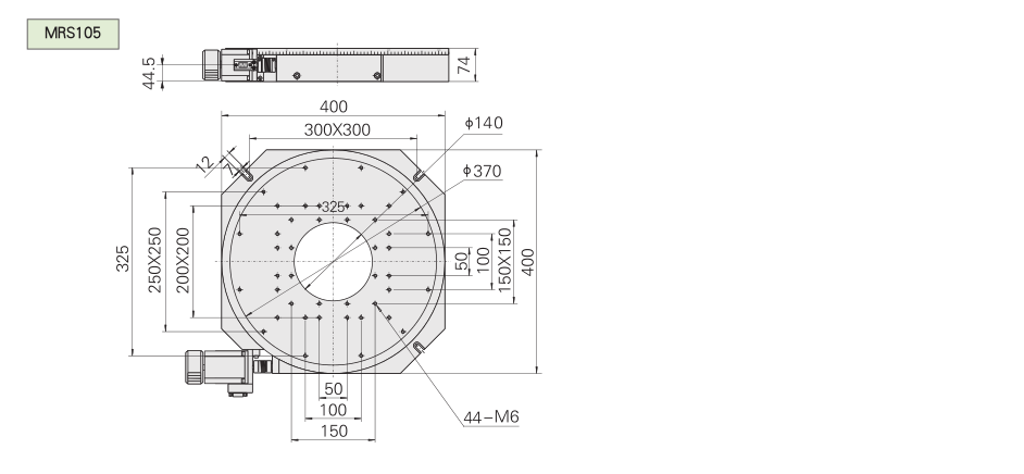
MRS105 |
|
Stage size(mm) |
60 |
100 |
200 |
300 |
400 |
|
Gear ratio |
90:1 |
180:1 |
180:1 |
270:1 |
720:1 |
|
Resolution |
0.0003° |
0.0002° |
0.0002° |
0.0001° |
0.000039° |
|
Resetting positioning accuracy |
<0.01° |
<0.005° |
<0.004° |
<0.0035° |
<0.003° |
|
Maximum speed |
50°/s |
25°/s |
15°/s |
12.5°/s |
6°/s |
|
Stepper motor(1.8°) |
42步進(jìn)電機(jī) |
56步進(jìn)電機(jī) |
|||
|
Maximum static torque(Ncm) |
40 |
40 |
80 |
80 |
80 |
|
Loading capacity(kg) |
30 |
50 |
60 |
70 |
80 |
|
Weight(kg) |
0.9 |
1.8 |
7.2 |
13.5 |
37.5 |
|
Comment |
The product can be used in vacuum environment,but you need to have it made to order. |
||||












