MRS100 series motorized precision rotary stages
1. The transmission adopts worm and worm gear structures that allow forhigh precision continuous rotation of the stage in both clockwise and counterclockwise directions.
2.Zero positionphotoelectric switches can be added.
3.Servo motors can be used instead of stepper motors.
4. Therotary stage can operate in a vacuum environment.
- description
- parameters
|
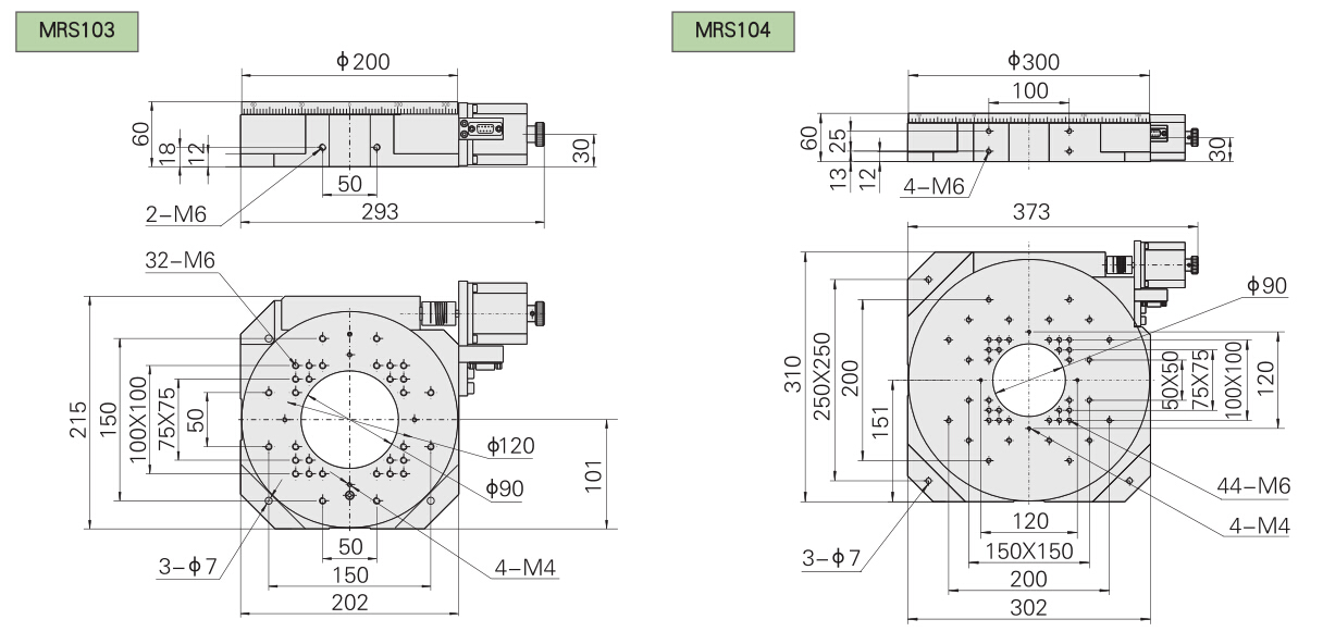
Model |
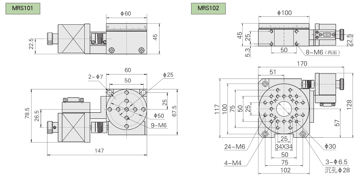
MRS101 |
MRS102 |
MRS103 |
MRS104 |
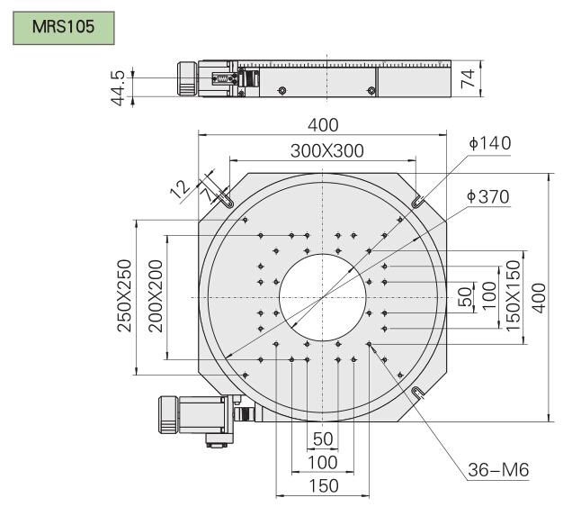
MRS105 |
|
|
Stage size(mm) |
φ60 |
φ100 |
φ200 |
φ300 |
φ400 |
|
|
Gearratio |
90:1 |
180:1 |
180:1 |
270:1 |
720:1 |
|
|
Resolution |
0.0003° |
0.0002° |
0.0002° |
0.0001° |
0.000039° |
|
|
Resetting positioning accuracy |
<0.01° |
<0.005° |
<0.004° |
<0.0035° |
<0.003° |
|
|
Maximum speed |
50°/s |
25°/s |
25°/s |
12.5°/s |
6°/s |
|
|
Stepper motor(1.8°) |
42stepper motor |
56stepper motor |
||||
|
Maximum static torque(Ncm) |
40 |
40 |
80 |
80 |
80 |
|
|
Loading capacity(kg) |
30 |
50 |
60 |
70 |
80 |
|
|
Weight(kg) |
0.9 |
1.8 |
7.2 |
13.5 |
37.5 |
|
|
Comment |
The product can be used in vacuum environment,but you need to have it made to order. |
|||||













