- description
- parameters
|
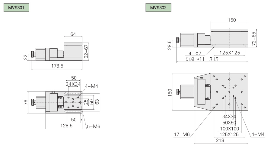
Model |
MVS301 |
MVS302 |
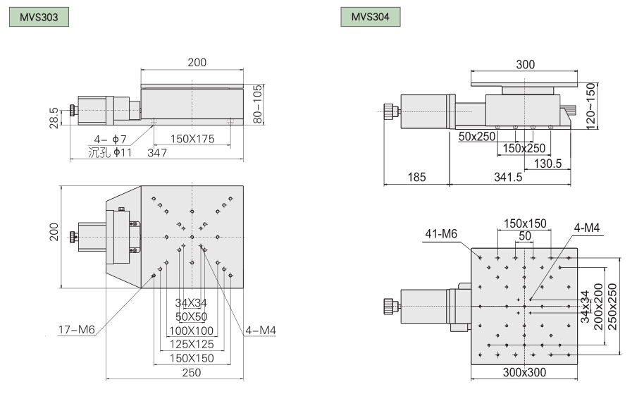
MVS303 |
MVS304 |
|
Travel(mm) |
5 |
13 |
25 |
30 |
|
Table size (mm) |
64×50 |
150×150 |
200×200 |
300x300 |
|
Gear ratio |
2:1 |
|||
|
Screw pitch(mm) |
0.5 |
1.5 |
1.5 |
1 |
|
Resolution(mm) |
0.00002 |
0.00004 |
0.0006 |
0.00004 |
|
Resetting positioning accuracy (mm) |
0.003 |
|||
|
Maximum speed (mm/s) |
6.25 |
12 |
18 |
12 |
|
Stepper motor(1.8°) |
42 stepper motor |
56 stepper motor |
86 stepper motor |
|
|
Loading capacity(kg) |
10 |
30 |
40 |
80 |
|
Weight(kg) |
1 |
5.5 |
8 |
16.5 |













