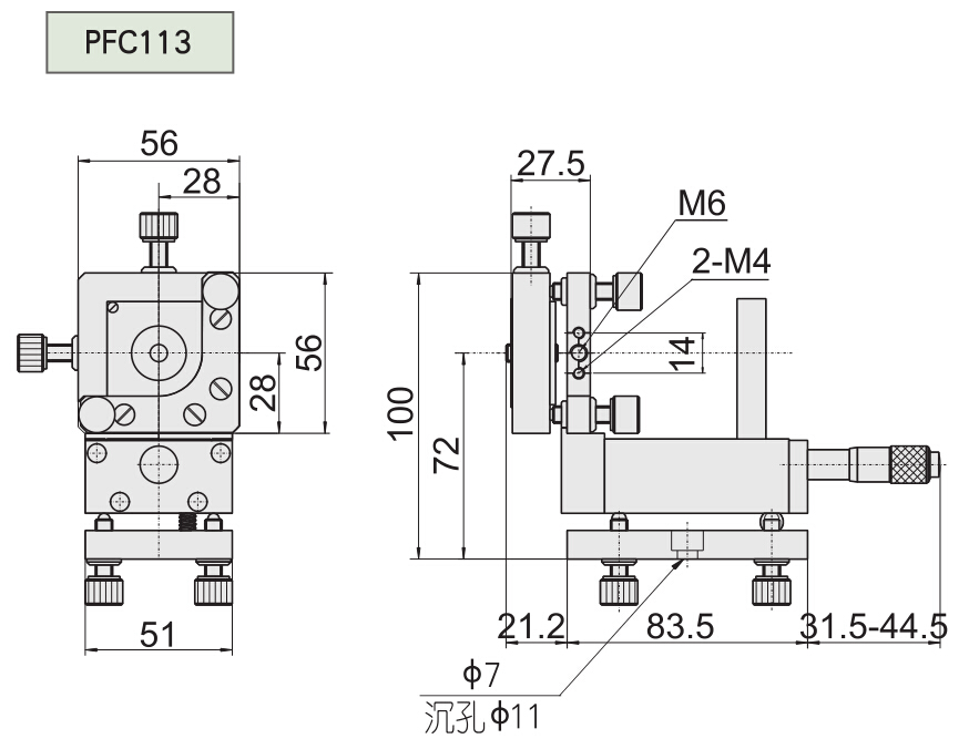
PFC113型精密光纖耦合器
- PFC111型精密光纖耦合器與顯微物鏡座一體化,便于光束與光纖耦合
精密線性滾珠導軌,運動平穩,精度高
微分頭驅動,可定量調整顯微物鏡焦距
兩維傾斜調整
底板安裝孔易與其它調整架連接
配上針孔座,可改制成空間濾波器
FC/SMA905 標準接口
- 產品介紹
- 產品參數
|
型號 |
PFC113 |
|
|
物鏡調整范圍(mm) |
Tx |
13 |
|
平移調整范圍(mm) |
Ty |
±2 |
|
Tz |
±2 |
|
|
傾斜調整范圍 |
θy |
±4° |
|
θz |
±4° |
|
|
整體傾斜調整范圍 |
±4° |
|
|
自重(kg) |
0.65 |
|










