- 產品介紹
- 產品參數
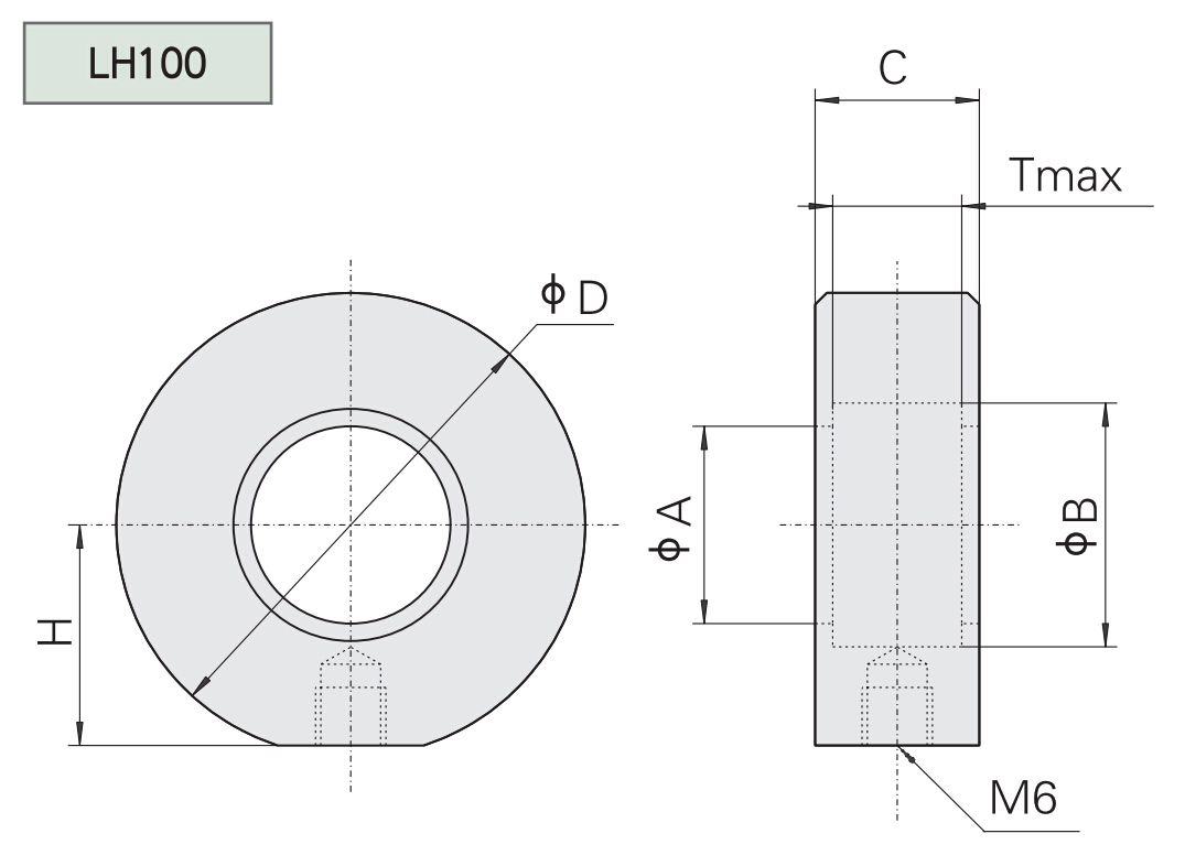
|
型號 |
101 |
102 |
103 |
104 |
105 |
106 |
107 |
108 |
109 |
110 |
111 |
112 |
113 |
114 |
115 |
116 |
117 |
|
H |
14 |
15.5 |
16.5 |
19 |
21.5 |
22 |
21.5 |
24 |
26.5 |
29 |
29 |
34 |
34 |
39 |
49 |
49 |
59 |
|
ΦA |
8 |
10 |
12 |
17 |
22 |
21.5 |
22 |
26 |
31 |
34 |
36 |
45 |
46 |
55 |
71 |
74 |
92 |
|
ΦB |
10 |
13 |
15 |
20 |
25 |
25.4 |
26 |
30 |
35 |
38 |
40 |
50 |
51 |
60 |
76 |
80 |
100 |
|
C |
12 |
14 |
14 |
14 |
14 |
12 |
14 |
14 |
18 |
18 |
18 |
18 |
18 |
22 |
22 |
22 |
24 |
|
D |
30 |
32 |
35 |
40 |
45 |
45 |
45 |
50 |
55 |
60 |
60 |
70 |
70 |
80 |
100 |
100 |
120 |
|
Tmax |
6 |
8 |
8 |
8 |
8 |
8 |
8 |
8 |
12 |
12 |
12 |
12 |
12 |
16 |
16 |
16 |
16 |










